Call Us: +91-7410524141
Call Us: +91-7410524141
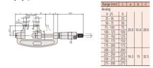
Metric
| Code No. | Range (mm) | Graduation (mm) | Maximum permissible error JMPE (μm) | Flatness (μm) | Parallelism (μm) |
|---|---|---|---|---|---|
| 143-101 | 0 – 25 | 0.01 | ±5 | 0.03 | 3 |
| 143-102 | 25 – 50 | ±6 | |||
| 143-103 | 50 – 75 | ±7 | 4 | ||
| 143-104 | 75 – 100 | ±8 | |||
| 143-105 | 100 – 125 | ±9 | |||
| 143-106 | 125 – 150 | 5 | |||
| 143-107 | 150 – 175 | ±10 | |||
| 143-108 | 175 – 200 | ||||
| 143-109 | 200 – 225 | ±11 | 6 | ||
| 143-110 | 225 – 250 | ||||
| 143-111 | 250 – 275 | ±12 | |||
| 143-112 | 275 – 300 | 7 |
Inch/Metric
| Code No. | Range (in) | Graduation (in) | Maximum permissible error JMPE (in) | Flatness (in) | Parallelism (in) |
|---|---|---|---|---|---|
| 143-121 | 0 – 1 | 0.001 | ±0.00025 | 0.000012 | 0.000012 |
| 143-122 | 1 – 2 | ±0.0003 | |||
| 143-123 | 2 – 3 | ±0.00035 |
